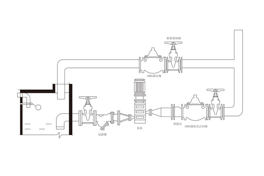
Is cineál scairt a oibrítear go hiodrálach é an comhla laghdaithe brú inchoigeartaithe, atá suiteáilte sa chóras soláthair uisce agus draenála, agus rialaíonn sé brú asraon na príomh-chomhla go luach seasta. Is féidir an brú inlet a laghdú go dtí an brú asraonta riachtanach tríd an gcomhla píolótach a choigeartú agus is féidir an brú asraonta a choinneáil cobhsaí trí bheith ag brath ar fhuinneamh an mheáin féin, is é sin, ní athraíonn an brú asraon mar gheall ar athruithe ar bhrú inlet nó ar shreabhadh asraonta. Nuair a bhíonn an brú os comhair na comhla níos ísle ná an brú socraithe taobh thiar den chomhla, dúnfaidh an príomh-chomhla go mall go huathoibríoch.
中文简体







