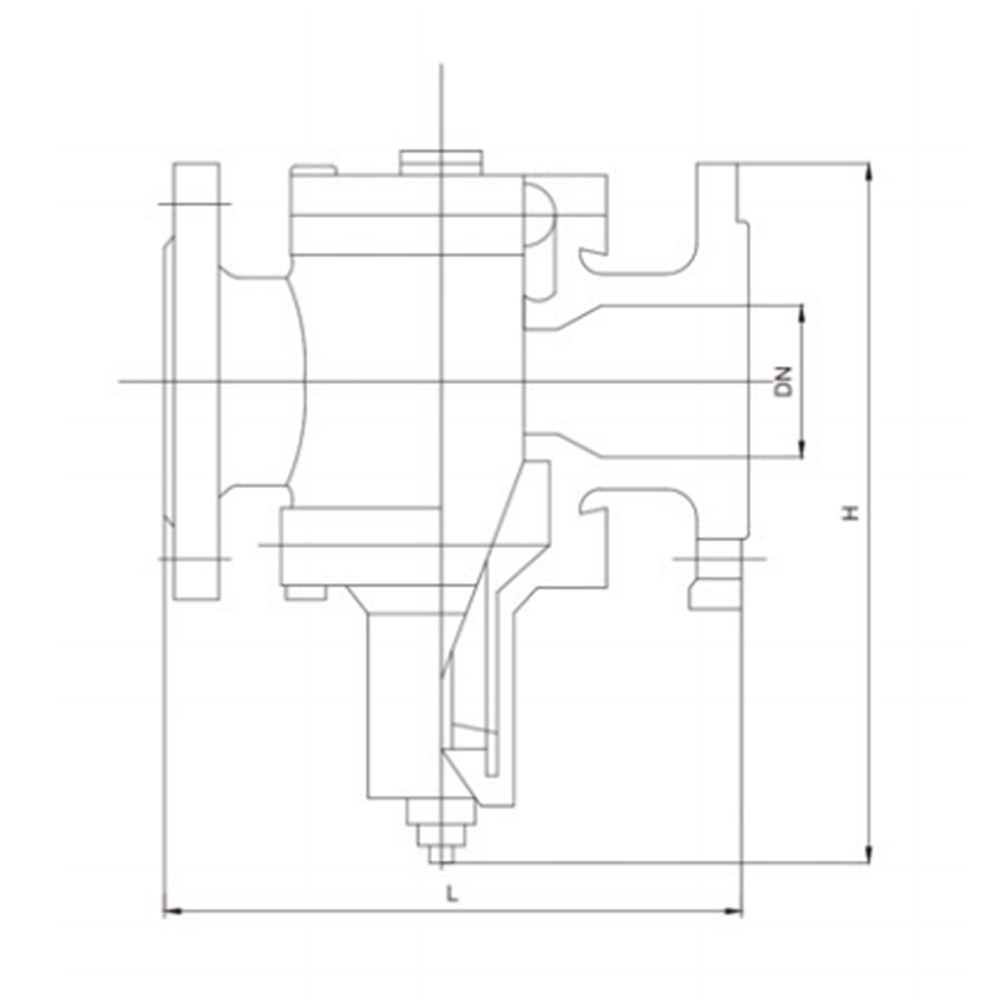
Is comhla cothromaíochta riocht hiodrálach é an comhla rialaithe difríochta brú féin-oibrithe le difríocht brú tairiseach uathoibríoch. Úsáidtear é i gcórais uisce cosúil le teas lárnach agus aerchóiriú lárnach. Tá sé fabhrach do choigeartú neamhspleách gach úsáideoir den chóras rialaithe agus gach feiste críochfoirt, go háirithe Oiriúnach do chórais téimh méadraithe tí agus córais aerchóirithe sreabhadh athraitheach.
中文简体






