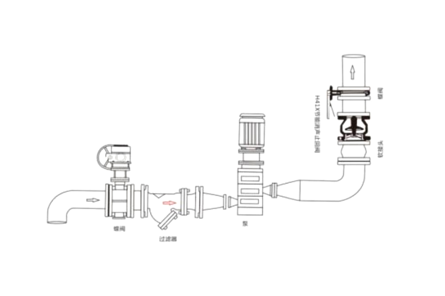
Tá comhlaí seiceála tostóra oiriúnach go príomha do chórais soláthair uisce agus draenála foirgneamh ard-ardú, córais soláthair uisce píopa dóiteáin, etc. Is féidir leis an gcomhla seiceála tostóra seo an meán a chosc go héifeachtach ó chúl-sreabhadh agus is cúis le casúr uisce millteach, agus an caidéal uisce agus trealamh píblíne eile a chosaint. Is iad seo a leanas príomh-shaintréithe feidhmíochta a chomhla: 1. Is féidir an comhla seo a shuiteáil go hingearach nó go cothrománach. Is féidir an comhla a ardú agus a ísliú go solúbtha, agus oibríonn sé go réidh, tá torann íseal aige, tá sé sábháilte, agus is annamh a bhíonn lochtanna ann. 2. Struchtúr réasúnta agus feidhmíocht séalaithe maith. 3. Caith-resistant agus shaol seirbhíse fada.
中文简体




